公司地址:襄陽市樊城區春園西路賈洼工業園 郵箱:xfycdq@163.com

TIME:2021-09-02概述:水電阻的基本原理:靠溶解在水中的電解質(Na2CO3)離子導電,電解質充滿于兩個平面極板之間,構成一個電容狀的導電體,自身無感性元件,故與頻敏、電抗器等起動設備相比,有提高電動機的功率因數,節能降耗的功能。水電阻串入電動機定子回路以后,不僅能改變電動機的轉差率S,達到調速的目的,還能增加電動機起動時的轉矩,減小起動電流。具有平滑無級調速,并可使
TIME:2021-09-02概述:水阻,顧名思義,即水電阻(又被稱為液阻柜)。此技術最早發源于日本,在1985年上半年被引進到中國,在當今大容量電機上得到廣泛的應用,現階段比較適合中國的國情。由于電動機直接起動時,起動電流會達到電機額定電流的7~8倍,一般上一級變壓器的容量都承受不了,特別是大功率的電機,必須加裝起動設備,否則會造成變壓器局部下跳閘。早先的起動設備,主要有:電阻
TIME:2021-08-26概述:水電組的優點1、大中型繞線異步電動機進行無級調速,調速比可達2:1;2、用作電動機啟動,具備啟動電流小,啟動平穩等優點;3、與變頻調速,可控硅串級調速相比,更經濟可靠實用,且維護簡單。水電阻的缺點1、通過調節極板距離改變電阻,精度和靈敏度低;2、需要經常加水;3、環境溫度變化對啟動特性有影響,一般需要加裝空調。
TIME:2021-09-30概述:各單位、各部門:根據上級有關文件精神,結合我公司實際情況,現將2021年國慶節放假相關事宜通知如下:一、放假時間10月1日至7日放假調休,共7天。9月26日(星期日)、10月9日(星期六)上班。二、各生產小組需確保正常完成生產任務和約定發貨,可根據各自情況自行安排放假時間。三、節日期間,需注意以下事項:1、公司各單位要妥善安排各自的工作任務,在節前組織一次
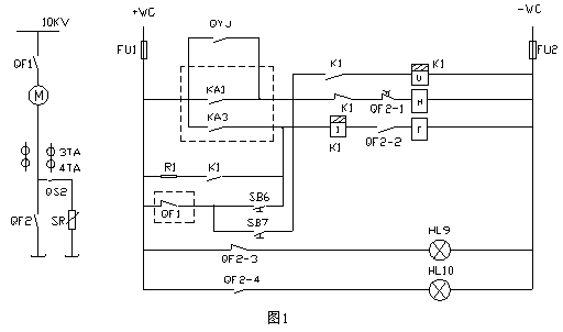
TIME:2021-08-09概述:水阻起動柜是近年來運用比較廣泛的電機起動設備。水阻,也就是液體電阻(在水中添加電解粉構成水電阻),顧名思義就是在電機定子回路(鼠籠型電機)或轉子回路(繞線式電機)中串入液態電阻,電機在起動過程中液態電阻阻值在預定的時間內自動無級減小,直至阻值接近為零,將液阻自動切除,電機投入正常運行,每小時最多可以啟動2-3次。水阻柜運行過程:高壓開關柜

上一篇:電機軟啟動的優勢
下一篇:電機軟啟動廠家:風機泵類節電技術
(不想等待可點擊按鈕通過QQ進行溝通,或直接電聯。)
關閉