公司地址:襄陽市樊城區春園西路賈洼工業園 郵箱:xfycdq@163.com
13508662630
13507271573
xfycdq@163.com
襄陽市樊城區春園西路賈洼工業園

TIME:2021-09-02概述:水電阻的基本原理:靠溶解在水中的電解質(Na2CO3)離子導電,電解質充滿于兩個平面極板之間,構成一個電容狀的導電體,自身無感性元件,故與頻敏、電抗器等起動設備相比,有提高電動機的功率因數,節能降耗的功能。水電阻串入電動機定子回路以后,不僅能改變電動機的轉差率S,達到調速的目的,還能增加電動機起動時的轉矩,減小起動電流。具有平滑無級調速,并可使
TIME:2021-11-02概述:轉眼間,2021年余額只剩2個月,今年你過得怎么樣?年初定下的小目標實現了多少?但無論如何,珍惜當下,用最好的姿態,去遇見最好的自己。言歸正傳,本月行業資訊大餐又來了。企業方面,施耐德電氣綠色智能制造無錫創新示范園落地;西門子攜手Zscaler共同開發零信任OT/IT一體化安全解決方案;艾默生電氣軟件部門將與艾斯本合并,交易價值約110億美元;ABB榮獲2021中瑞商業大獎;臺達入選生態環境部20
TIME:2021-09-02概述:水阻,顧名思義,即水電阻(又被稱為液阻柜)。此技術最早發源于日本,在1985年上半年被引進到中國,在當今大容量電機上得到廣泛的應用,現階段比較適合中國的國情。由于電動機直接起動時,起動電流會達到電機額定電流的7~8倍,一般上一級變壓器的容量都承受不了,特別是大功率的電機,必須加裝起動設備,否則會造成變壓器局部下跳閘。早先的起動設備,主要有:電阻
TIME:2021-08-26概述:水電組的優點1、大中型繞線異步電動機進行無級調速,調速比可達2:1;2、用作電動機啟動,具備啟動電流小,啟動平穩等優點;3、與變頻調速,可控硅串級調速相比,更經濟可靠實用,且維護簡單。水電阻的缺點1、通過調節極板距離改變電阻,精度和靈敏度低;2、需要經常加水;3、環境溫度變化對啟動特性有影響,一般需要加裝空調。
TIME:2021-09-30概述:各單位、各部門:根據上級有關文件精神,結合我公司實際情況,現將2021年國慶節放假相關事宜通知如下:一、放假時間10月1日至7日放假調休,共7天。9月26日(星期日)、10月9日(星期六)上班。二、各生產小組需確保正常完成生產任務和約定發貨,可根據各自情況自行安排放假時間。三、節日期間,需注意以下事項:1、公司各單位要妥善安排各自的工作任務,在節前組織一次
YCQ-K系列磁控軟起動裝置
YCQ-K
源創
湖北襄陽
適用范圍
產品適用于手工頻3KV-10KV,200KW-20000KW三相交流電動機的軟起動。
工作原理及特點
利用現代控制技術,調控起動變壓器副邊電壓,通過磁控原理,達到控制變壓器原邊電壓從高低變化,使電動機端電壓從低到高,達到軟起動的目的。
起動模式可選:電壓斜坡式、電流恒定式、初始脈沖式;
起動電壓、電流值小,對電網、電機和其他設備基本無沖擊損害;
起動電流:空載≤21e,輕載≤31e;
可方便實現一拖多(容量不要求相近)并可連續起動;
性能穩定可靠,無起動失敗危險;
維護簡單,使用周期長,性價比高。
執行標準
高壓開關設備和控制設備標準共用技術要求 GB/T11022-1999 IEC60694:1996
3-35KV交流電金屬封閉開關設備用 GB3906-1991 IEC298:1990
三相油浸式電力變壓器技術參數和要求 GB/T6451-1999
電磁調壓軟起動器 Q/XYC-2005
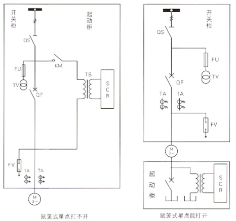
一次方案圖

上一篇:YHGQ高壓固態軟起動柜
下一篇:YMQ-S熱敏電阻軟起動裝置
(不想等待可點擊按鈕通過QQ進行溝通,或直接電聯。)
關閉