公司地址:襄陽市樊城區春園西路賈洼工業園 郵箱:xfycdq@163.com

來源:公眾號概述:液體電阻起動器源創YRQ系列更多詳細內容請訪問源創官網?1概述YRQ系列液體電阻起動器是為改善大中型繞線式交流異步電動機的起動性能而研制的新型起動器,它是通過在電機轉子回路串入液體電阻,自動無級調整電阻阻值使其由大變小最后為零,進而實現電機降壓無沖擊地平滑起動。適用于建材、冶金等行業的球磨機、風機、軋機、破碎機、水泵等70-6000KW電動機的重載起
來源:微博概述:進相器工作原理圖
來源:公眾號概述:建黨百年輝煌路,啟航時代新征程!2021年7月1日,是中國共產黨成立100周年紀念日。從1921年—2021年,這是信仰創造傳奇的一百年:一百年,黨帶領人民點燃信仰之光!一百年,正是我黨風華正茂,朝著新征程高歌猛進之序章!百年征途波瀾壯闊,百年初心歷久彌堅。從播下革命火種的小小紅船,到領航復興偉業的巍巍巨輪,在百年奮斗歷程中,我們黨領導人民取得了舉世矚目的輝煌成就,書寫了波瀾壯闊的歷史畫卷,留下了
來源:微博概述:水阻柜工作原理
來源:公眾號概述:軟啟動許多企業意識空壓機能源消耗巨大,為了節約企業的生產成本,減低能源消耗,都開始著手于對空壓機等高能耗設備進行節能改造。你有沒有聽過軟啟動空壓機節能改造?今天小編帶大家看看究竟什么是軟啟動?軟啟動器源創電氣軟啟動器的主要分類1、按電壓:高壓軟啟動器、低壓軟啟動器;2、按介質:固態軟啟動器、液阻軟啟動器;3、按控制原理:電子式軟啟動器、電磁式軟啟動器;4、按運行方式:在線型軟啟動器、旁路型軟啟動器
來源:微博概述:軟啟動器常見故障及解決
來源:公眾號概述:高壓固態軟起動的控制核心是微處理器CPU。這個微處理控制系統可以對電機進行起動和保護。CPU對SCR進行相角觸發控制以降低加在電機上的電壓,然后通過慢慢的控制加在電機上的電壓和電流平滑的增加電機轉矩,直到電機加速到全速運行。這種起動方式可以降低電機的起動沖擊電流,減少對電網和電機自身的沖擊。同時也減少了對聯在電機上機械負載裝置的機械沖擊,以延長設備的使用壽命,減少故障和停機檢修時間
來源:微博概述:Ⅰ、異步電動機及變壓器的空載無功功率補償(也稱'隨機補償'、'隨器補償')1、補償原理1)電動機空載無功功率補償就是當單臺電動機在7.5kW及以上時,以電動機的空載無功功率為基數,乘以適當補償系數進行電容量的配置,實行就地補償。這種補償方式是將電容器安裝在電動機旁,電容器與電動機直接采用一套控制和保護裝置或接在控制斷路器或磁力啟動器的下樁頭和電動機一起投切。2)變壓
水阻柜在工礦企業是常見的設備,不管是風機、水泵、空壓機,還是球磨機、破碎機、軋鋼機等,水阻柜都以它獨特地啟動效果相伴設備之旁,較高的性價比受到用戶的親賴。新買的水阻柜一般由廠家提供調試服務,源創電氣售出的水阻柜、進相器及其他設備還會對用戶提供技術培訓,以便維修電工能掌握基本原理及維護,那么水阻柜調試的關鍵任務就是配好阻值,因為它直接關系到水阻柜的啟動效果,那么怎樣確定水阻柜阻值呢?
水阻柜阻值
確定水阻柜的阻值首先要找到電機的參數,然后根據電機的參數計算水阻柜的阻值。下面我們看一個電機型號參數:

把上面的數據代入公式R0=(U2e/I2e)(1/n-1/m)M
式中:U2e:電機轉子回路的開路電壓(V),I2e:電機轉子回路的額定電流(A),m:直接起動電流倍數,n:帶液阻起動電流倍數,M:起動轉矩,根據以上數據來計算出水阻柜的阻值為0.94歐。

時間久了都是任何設備工作一段時間都需要維護,水阻柜也一樣,工作久了由于液體揮發需要補水,工作一年以上都需要重新配置阻值。如其他啟動設備一樣,水阻柜的工作原理也是降壓啟動。
水阻柜阻值配制
(1) 先將動極板置于起動位置(即上限位置),將準備好的水注入到水箱規定位置的2/3左右,注意三格液位要基本相等;
(2) 稱一定數量電解粉(電解粉稱取量參照附表達式);
(3) 先向盆或桶等容器內倒入備好的水,水不超過容器容積2/3,取所稱電液粉1/3慢慢倒入容器內并不停攪拌至電液粉完全溶解,然后倒入電阻箱的一相中,部分溶解不了的塊狀物加熱水溶解,此后若仍有少量不溶物,可棄之不用。如電液粉太多而容器容積太小可分幾次溶解;
(4) 重復步驟(3)將電液粉溶入其它兩相中;
(5) 分別向液阻箱內加水至要求液位(液位大約離電阻箱上蓋板60mm);
(6) 扳動試驗按鈕,使極板上下運動二、三次,使箱內電阻液攪拌均勻;
(7) 用干凈的布擦凈電阻箱外的水漬。
(8) 液體電阻的測量

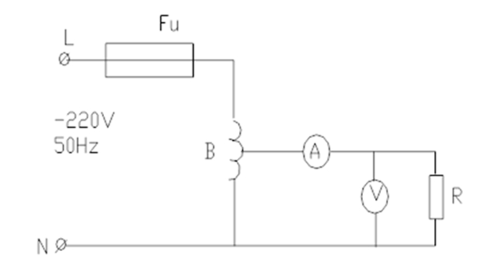
將液體電阻的活動極板移動位置后,通過自耦變壓器給每相動靜極板之間通以50HZ電,電流從0開始逐漸增大至5A左右電流I(A),記下電流表A的讀數,并測量兩極之間壓降V(V),測液體電阻值為:R(Ω)=V(V)/I(A)測量電路如下:

圖中,FU:熔斷器2A A:交流電流表5A,0.5級;B:調壓器5KVA;V:交流電壓表0.5級,測得的R值應接近R0計算值,允許有5%的誤差。
(9) 電阻的調整如偏大應增大電阻液濃度,否則應降低其濃度,調節方法是用軟管抽出部分溶液加水或電液粉。
注:(1)測電阻時動極板一定在上限位,且轉子線路與電阻箱斷開;
(2)電阻液應攪拌均勻后再測;
(3)調壓器相線、零線不可接反。
(不想等待可點擊按鈕通過QQ進行溝通,或直接電聯。)
關閉